欢迎来到北京康高特 - 只为给你更好的测试体验,只为让我们成为更好的自己! English 中文

telphone

电气装置的测量原理及实践(四) 接地电阻部分(下)

来源:8868登陆入口 发布时间:2016-03-04 11:06:01 作者: 浏览次数:3037次 分类:技术文章

1、接地系统只有一个棒状接地电极

       测量结果=U/I=R­­­­­E

       其中:

         U:通过内部电压表测得的P1和P2之间的电压值

         I:从C1和C2两端口施加到回路中的电流

       只有一个接地电极,因此测量非常简单。建议使用4线测试法而不是3线测试法,因为4线测试法不用考虑测试夹的接触电阻以及待测电极表面的生锈情况,这些不会对4线测试法造成影响。

测量时,接地棒可以按直线排列,也可按等边三角形排列。


2、接地系统只有一个带状接地电极

       测量结果=U/I=R­­­­­E

       其中:

          U:通过内部电压表测得的P1和P2之间的电压值

         I:从C1和C2两端口施加到回路中的电流

       这种测试方法与上节中的相似,区别在于接地电极为带状电极,因此需考虑其长度,如上图所示 。

测量时,接地棒可以按直线排列,也可按等边三角形排列。


3、复杂接地系统(多个电极并联)

       在这些系统中,以下两点非常重要:

       •接地系统的总接地电阻REtot,等于多个接地电极的并联电阻。足够低的总接地电阻可以完全避免设备故障时受到电击,但是当有大气放电现象(例如雷击)的时候可能不会提供有效保护。

       •RE1...REn是并联的接地电极


       当接地系统用于保护不受雷击,这些电阻必须足够低。大气放电非常迅速,放电电流中含有高频成分,当接地系统中存在任何感性成分时,对这些高频电流会产生很大的阻抗。因此不能将电流导入大地,这将会造成灾难性的后果。


       若系统中在不同的位置安装一些避雷针,则会很好的解决这个问题,尤其是接地电阻比较高的情况下。避雷针的特殊构造会吸引雷电,并将其引入大地。在避雷针系统的周围可能会存在很高的电厂及气体电离现象。


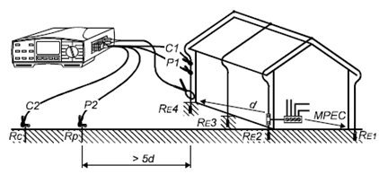
3.1测量总接地电阻

       (a)四线,两探头原理

       电压及电流测试杆的安装位距离接地系统比较远,因此接地点可看做为一点。其中d为接地系统中,相距*远的两个接地电极的距离。电流探头的距离至少为5d。


       测量结果=U/I=R­E1//R­E2//R­E3//R­E4//=R­Etot


       这种方法的优点是测量结果*可靠,缺点是安装探头过程中需要很长的距离,在城市中这种测量方法很不方便。


       (b)仅使用两个电流夹钳,无需接地杆

       当接地系统中有附加的接地电极,或总接地电阻较小时,可使用该方法。这种情况常见于城市已建区域。

       上图中:

       RE1-RE4为待测接地系统中单个的接地电阻

       RE5-REn为辅助接地系统中(总接地电阻较小)单个的接地电阻

       r为两个电流夹钳之间的距离,至少为30cm。

       下图为接地系统的等效电路图:

       测量结果=(RE1-RE4接地系统总的接地电阻)+(RE5-REn辅助接地系统接地电阻)

       若假设RE1-RE4阻值远大于RE5-REn阻值,那么:

       测量结果≈RE1-RE4接地系统总的接地电阻


3.2单个接地电阻的测量

       (a)   断开待测的接地电极,使用4线2探头的方法测量

       结果=U/I=RE4

       这种测量方法的缺点是,测量前需要断开待测接地电极的电路,有时候接口处会有生锈,不易断开;优点是测量结果*可靠


       (b)   断开待测的接地电极,使用4线2探头的方法测量

       结果=RE4+(RE1//RE2//RE3),若RE1//RE2//RE3远低于RE4,则:

       结果≈RE4


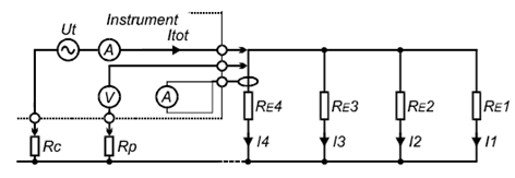
       (c)   使用4线2探头,并结合测试夹钳测量接地电阻

       下图为测量的等效电路:

       其中:

       U­t­为测试电压

       RC为电流测试探头的电阻

       RP为电压测试探头的电阻

       Itot为由测试电压U­t产生的总电流,由电流探头测得

       I1-I4为电路分流


       (d)仅使用两个夹钳测量

       

相关产品